a causa dei continui scioperi nazionali indetti dai sindacati confederali e a causa dell'intenso periodo i servizi di ritiro e consegna potrebbero non essere effettuati regolarmente per cui gli abituali tempi di consegna non potranno essere rispettati. Dispiaciuti per quanto sta succedendo Vi informiamo che stiamo attuando tutte le misure possibili per contenere eventuali disagi.
Realizzato in plastica PS (polistirene) anticondensa
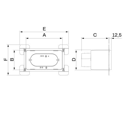
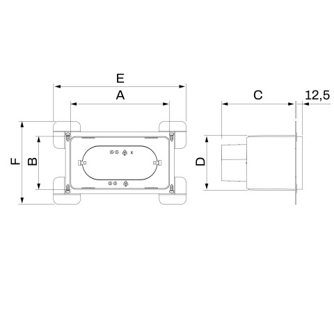
Serranda di taratura a farfalla regolabile
Clips laterali per bloccaggio tubo
Collarino posteriore telescopico per tubi flessibili di vari diametri
Sui 4 lati esterni sono disposte delle alette per il fissaggio del plenum su cartongesso con viti o di appoggio su muro in mattone
Bolla in dotazione per i modelli con altezza da 150 a 200
DESCRIZIONE
Il plenum in plastica PS (polistirene) rappresenta la soluzione ideale per un efficiente sistema di ventilazione meccanica controllata (VMC). Il plenum consente una facile installazione ed integrazione con il sistema di ventilazione presente. Il plenum è dotato di serrande di taratura regolabile che permette la bilanciatura dei flussi d'aria nell'ambiente. Pratiche clips in plastica permettono una facile e robusta installazione dei tubi flessibili.
APPLICAZIONI
Il plenum in PS trova applicazione nei sistemi di ventilazione meccanica controllata di tipo residenziale e commerciale. Il plenum è progettato per il fissaggio su cartongesso o muratura con profondità minima da 150 a 200 mm.
*L'immagine è realizzata al solo scopo di illustrare il prodotto ed è puramente indicativa.
®2023CLIMACO.IT - P.IVA 11635821009 - CODICE REA: 1317585 - info@climaco.it - Tutti i diritti riservati - Tutte le immagini sono soggette a Copyright 2023